电脑桌面
添加雲尚書房到电脑桌面
安装后可以在桌面快捷访问

GB 1903.57-2022 食品安全国家标准 食品营养强化剂 柠檬酸锰

GB 1903.57-2022 食品安全国家标准 食品营养强化剂 柠檬酸锰_第1页
1/7
GB 1903.57-2022 食品安全国家标准 食品营养强化剂 柠檬酸锰_第2页
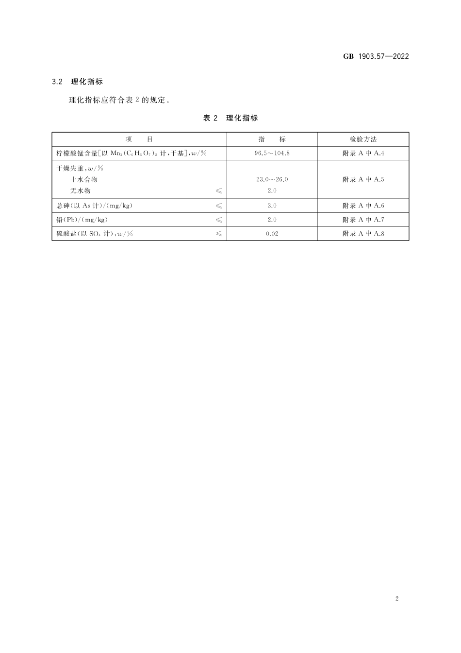
2/7
GB 1903.57-2022 食品安全国家标准 食品营养强化剂 柠檬酸锰_第3页
3/7
�����������犌犅1903.57—2022�������������������20220630��20221230������������������������������犌犅...

1、当您付费下载文档后,您只拥有了使用权限,并不意味着购买了版权,文档只能用于自身使用,不得用于其他商业用途(如 [转卖]进行直接盈利或[编辑后售卖]进行间接盈利)。
2、本站所有内容均由合作方或网友上传,本站不对文档的完整性、权威性及其观点立场正确性做任何保证或承诺!文档内容仅供研究参考,付费前请自行鉴别。
3、如文档内容存在违规,或者侵犯商业秘密、侵犯著作权等,请点击“违规举报”。

碎片内容

GB 1903.57-2022 食品安全国家标准 食品营养强化剂 柠檬酸锰

南海书院+ 关注
实名认证
内容提供者

海乃百川,有容乃大。南海书院,与各位朋友们同行,提供大家急需的资料,祝您一臂之力。让我们携手合作学习,共同成长,为创造更加美好的未来,不懈奋斗,撸起袖子加油干!

确认删除?
回到顶部